




SKUWS629X
Valve w MicroSwitch Stainless Steel
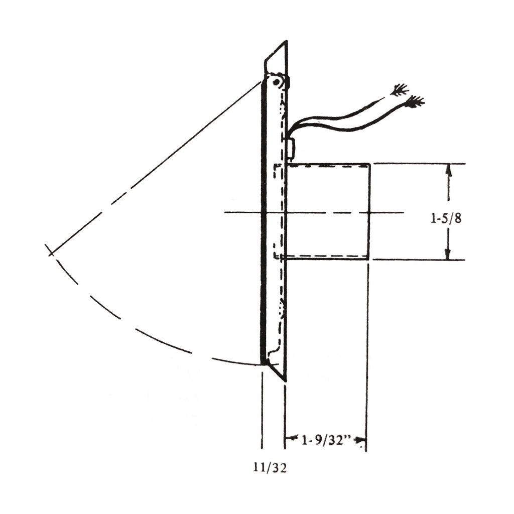
Standard Metal inlet valve for central vacuum systems. Microswitch (1 pin) – Turns the vacuum system on automatically when the hose end is inserted into the inlet valve.